در زیر معرفی پمپ گریز از مرکز چند مرحله ای غوطه ور CHV سری CHV است، که به ویژه برای پمپاژ روان کننده های خنک کننده برای ماشین ابزار طراحی شده است، و برای نصب در بالای مخازن با پشته پمپ غوطه ور در مایع پمپاژ شده طراحی شده است. پمپ های STAIRS SBK با اندازه های مختلف پمپ و تعداد مراحل مختلف برای تامین جریان، فشار و طول مورد نیاز در دسترس هستند.
|
نام محصول: |
پمپ گریز از مرکز چند مرحله ای عمودی |
|
قدرت |
0.55 کیلو وات ~ 1.1 کیلو وات |
|
حداکثر جریان |
7 متر مکعب در ساعت |
|
مکس سر |
28 تا 65 میلیون |
|
ورودی/خروجی |
1 "X1" |
|
بدنه پمپ |
فولاد ضد زنگ 304 |
|
دیفیوزر |
فولاد ضد زنگ 304 |
|
صفحه براکت |
چدن با پوشش الکتور |
|
شفت |
شفت S.S |
|
پروانه |
پروانه استیل 304 |
|
موتور |
سیم مسی |
|
رنگ |
پوشش رنگ پودری |
|
MOQ: |
10 عدد |
|
زمان نمونه: |
در عرض 7 روز |
|
زمان تولید: |
35-40 روز پس از تأیید سفارش |
|
گواهی |
CE |
|
مدل |
قدرت |
Q m³/h |
1 |
2 |
3 |
4 |
5 |
6 |
7 |
||||||
|
کیلووات |
HP |
||||||||||||||
|
CHV4-3 |
0.55 |
0.75 |
H (متر)
|
28 |
27 |
26 |
23.5 |
20.5 |
17 |
13 |
|||||
|
CHV4-4 |
0.75 |
1 |
37.5 |
36 |
34 |
31 |
27 |
23 |
19 |
||||||
|
CHV4-5 |
1.1 |
1.5 |
47 |
45 |
43 |
40 |
34 |
31 |
23 |
||||||
|
CHV4-3E |
0.55 |
0.75 |
27 |
25 |
22.5 |
21.5 |
16 |
10 |
|
||||||
|
CHV4-4E |
0.75 |
1 |
37 |
35 |
32 |
29 |
24 |
15 |
|
||||||
|
CHV4-5E |
0.9 |
1.2 |
46 |
43 |
40 |
35 |
28 |
19 |
|
||||||
|
CHV4-6E |
1 |
1.4 |
55.5 |
52 |
48 |
43 |
35 |
23 |
|
||||||
|
CHV4-7E |
1.1 |
1.5 |
65 |
61 |
56 |
51 |
42 |
27 |
|
||||||
|
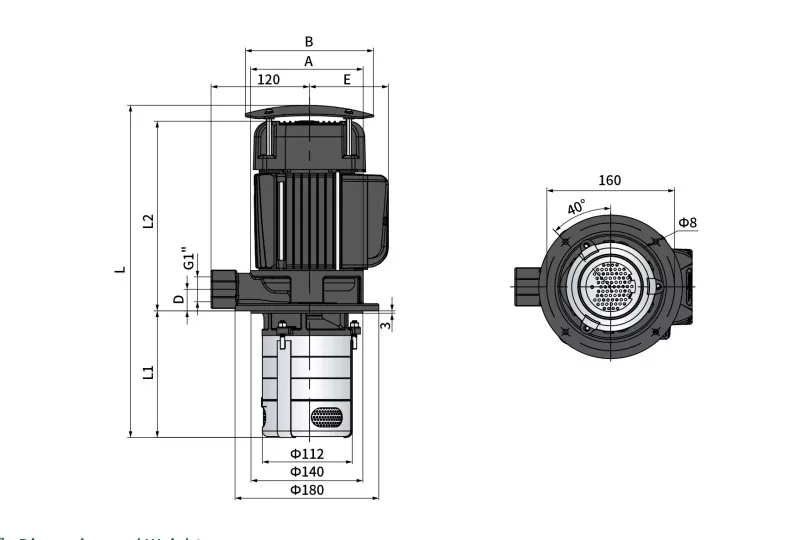
موتور |
مدل |
ابعاد (میلی متر) |
وزن (کیلوگرم) |
||||||
|
L |
L1 |
L2 |
A |
B |
D |
E |
|||
|
سه فاز تک فاز |
CHV4-3 |
411 |
159 |
228 |
120 |
136 |
25.5 |
88 |
13 |
|
CHV4-4 |
443 |
186 |
238 |
141 |
158 |
27 |
102 |
14.5 |
|
|
CHV4-5 |
470 |
213 |
238 |
141 |
158 |
27 |
102 |
15.5 |
|
|
CHV4-3E |
384 |
132 |
228 |
120 |
136 |
25.5 |
88 |
10.5 |
|
|
CHV4-4E |
408 |
150 |
238 |
141 |
158 |
27 |
102 |
13 |
|
|
CHV4-5E |
426 |
168 |
238 |
141 |
158 |
27 |
102 |
14.5 |
|
|
CHV4-6E |
444 |
186 |
238 |
141 |
158 |
27 |
102 |
15 |
|
|
CHV4-7E |
462 |
204 |
238 |
141 |
158 |
27 |
102 |
15.5 |
|

نشانی
جاده گونگیه ، منطقه صنعتی گانتانگ ، شهر فوان ، استان فوجیان ، چین
تلفن
پست الکترونیک